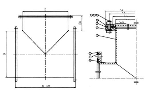
滤毒室换气堵头(三通)

滤毒室换气堵头(三通)

使用说明:

1、接管法兰必须互相平行或 垂直。

2、连接处焊缝应严密,不得渗漏。

3、接管法兰所有尺寸与所接的管路或手动密闭阀门的法兰尺寸相一致。

4、全部构件刷红丹防锈底漆两道,外表复涂调和漆两道。

产品咨询:0351-3051360
产品描述

滤毒室换气堵头(三通)1.jpg

下一页:插板阀
产品询价
在线留言